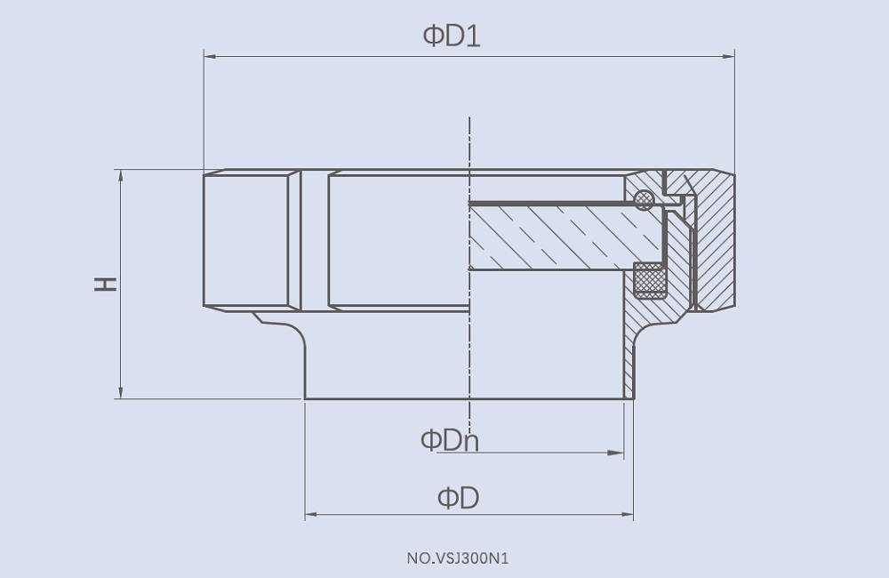
The clamp sight glass is completely matched with standard clamp ferrule, and the installation is extremely simple.
The clamp sight glass is completely matched with standard clamp ferrule, and the installation is extremely simple.
| Size | DN25-DN150/1"-6" |
| Temperature | -20℃ to 150℃ |
| Pressure | Vacuum to 10bar |
| Material | 304/316L, 1.4301/1.4404 |
Ideal for pharmaceutical and food industries, ensuring hygiene and easy inspection. Boost efficiency—request a quote today







