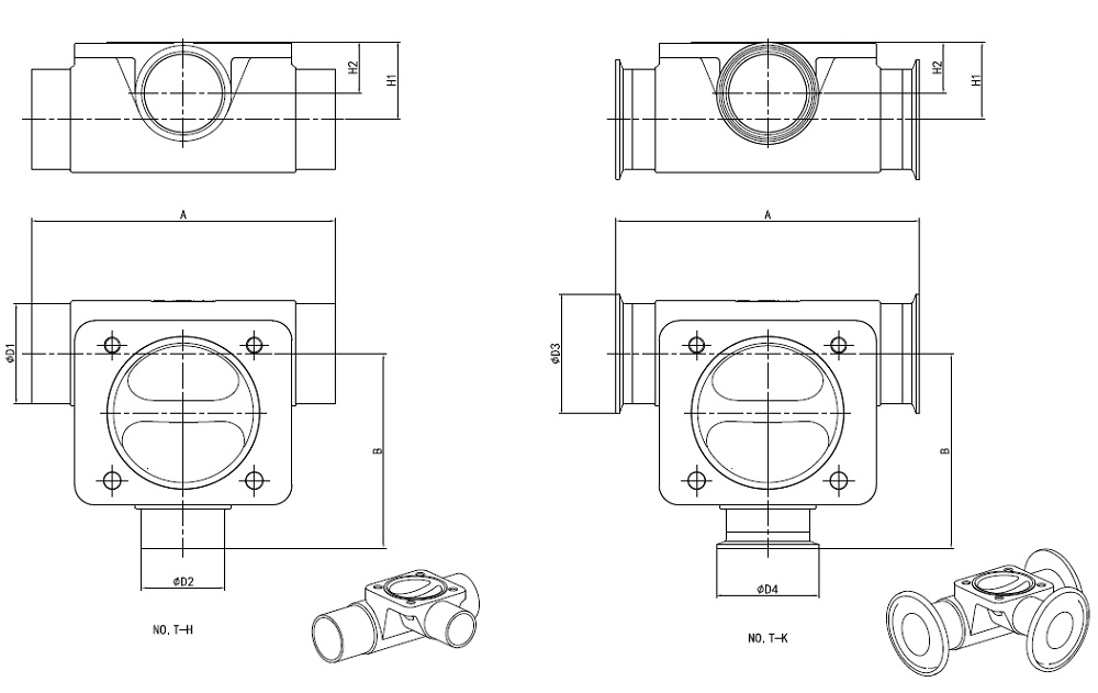
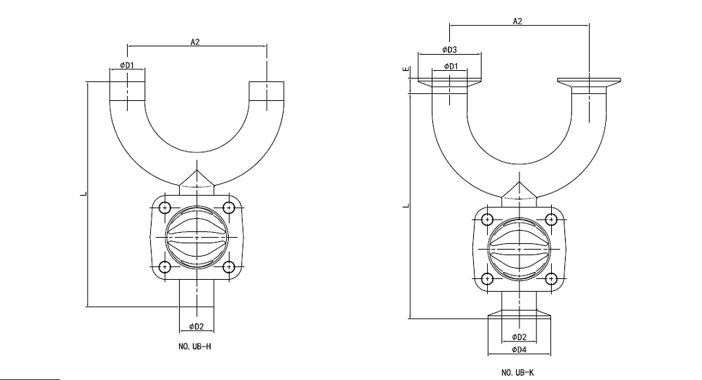
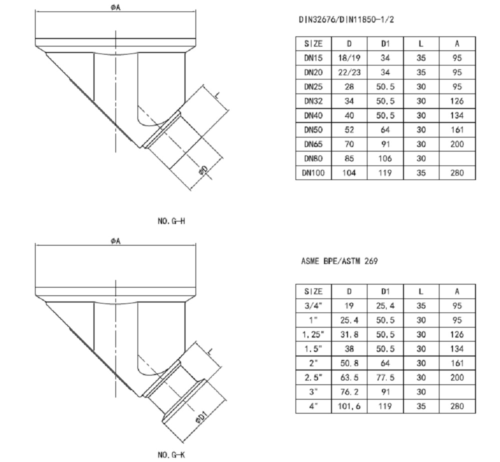
Donjoy's U-Type B 3-Way Diaphragm Valve delivers ultra-hygienic, zero dead-leg performance for biopharmaceutical and food applications. With easy CIP/SIP cleaning and full compliance to 3-A/FDA standards, it ensures sterile processes and maximizes operational efficiency. Upgrade to reliability now





