It has the characteristics of simple maintenance and installation, high efficiency, small size, light weight, low flow resistance and economy. There are more than 20 types of valve body combinations.
It has the characteristics of simple maintenance and installation, high efficiency, small size, light weight, low flow resistance and economy. There are more than 20 types of valve body combinations.
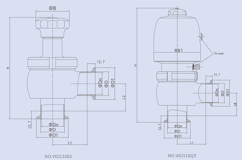
| Size | 1/2"-3", DN10-DN65 |
| Material | 316L/1.4404, ASME BPE 316L 1.4435 NB2 Fe≤0.5% |
| Pressure | vacuum to 10bar (1.0Mpa) |
| Temperature | -20℃ to +150℃, Depending on the seal material |
| Seal | EPDM FKM PTFE |
| Connection standard | DIN SMS ISO IDF RJT BS4825 ASME BPE 3A DIN11864 DIN11853 |
| Connection way | threaded, clamp, welding, flange |
| Drive mode | manual, pneumatic, electric |
| Roughness | Ra≤0.6μm; MP=Ra≤0.3μm; EP=Ra≤0.3μm |
| Certification | FDA 177.2600; 3A-18-03; Glass II USP Glass VI Chapter 88; GB4806.11; EG VO/1935-2004; PED/97/23/EC. |
Donjoy's Radial Diaphragm Valve delivers high-purity performance for biopharmaceutical and sanitary applications. With self-draining design, zero dead legs, and CIP/SIP compatibility, it ensures efficient, maintenance-free operation. Trust Donjoy for reliable, hygienic solutions—contact us to optimize your process today.


All synthetic resin and additive are comply with FDA certification
Material chemical composition, physical properties and manufacturing process are documented
All diaphragm seal consistency with FDA certificate
-21-CFR-FDA 177.1550 perfluorocarbon synthetic resin
-21-CFR-FDA-177.2600 rubber
USP 28 class VI CHAPTER 87 IN VITON and CHAPTER 88 IN - VITON consistency the authentication
3 - A consistency the authentication NO.: 54-02-1580
EN 10204-3.1 Certificate on traceability of stainless steel Chemical composition synthesis
CE-PED/97/23/EC N.O.: TUV DGR 0036-QS-1153-14