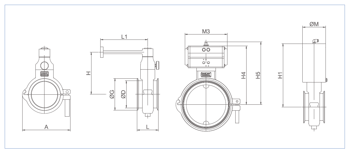
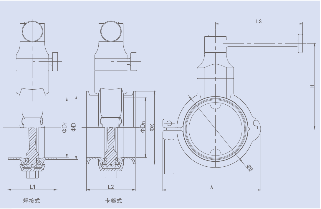
DJ-DF-F butterfly valve is mainly designed and used for all kinds of container equipments of powder, granule, capsule.etc. This butterfly valve have characteristics, which the normal butterfly don't have, such as small torque, no much friction when seal open and close, long life, no seal powder fall off, short valve body, bear pressure can be adjusted. This valve can be disassembled, maintained and cleaned without professional tool. It is safe, reliable and lower cost. Easy operation, manual, pneumatic and motor-driven configuration valve can be interchanged.
Small friction Long life Easy to clean Easy to disassemble Pressure can be adjusted Suit for vacuum.





