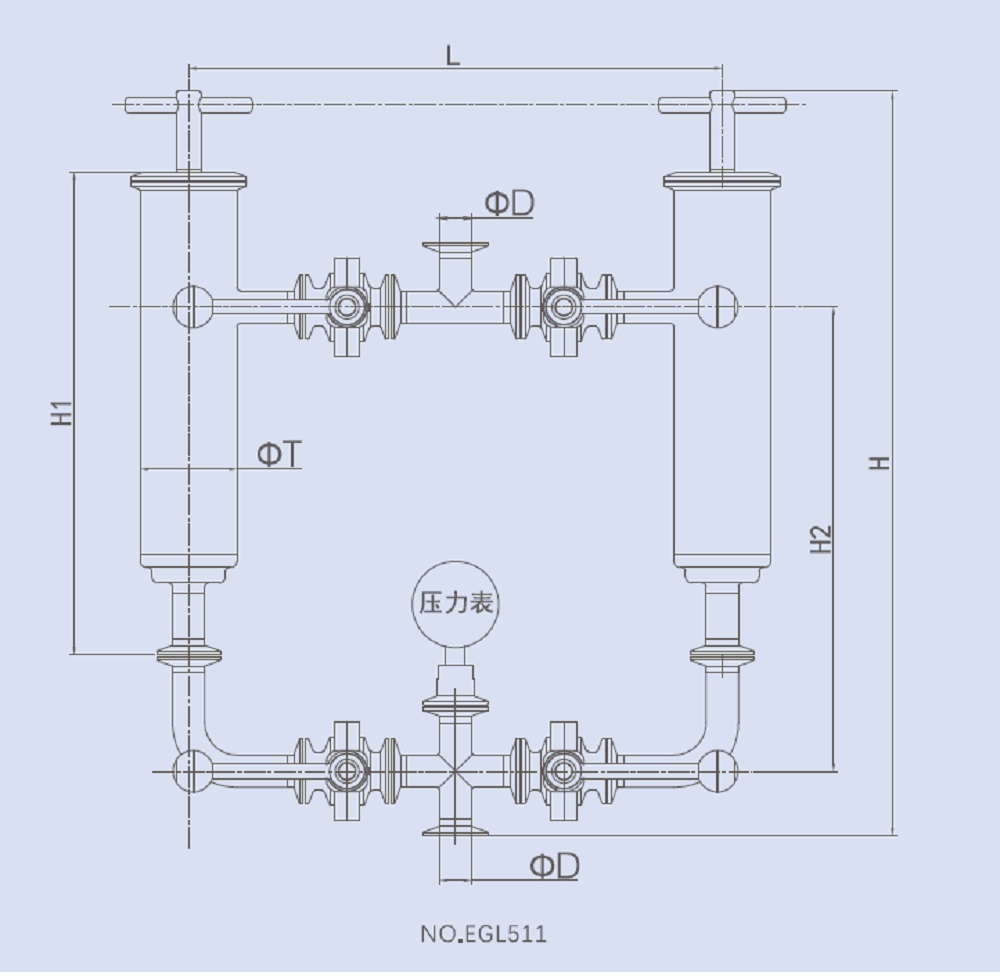
DONJOY Duplex Filter delivers sanitary-grade efficiency for continuous operation in food and beverage industries. With easy maintenance and high-flow filtration, it eliminates downtime and ensures product purity. Explore now for reliable performance!

