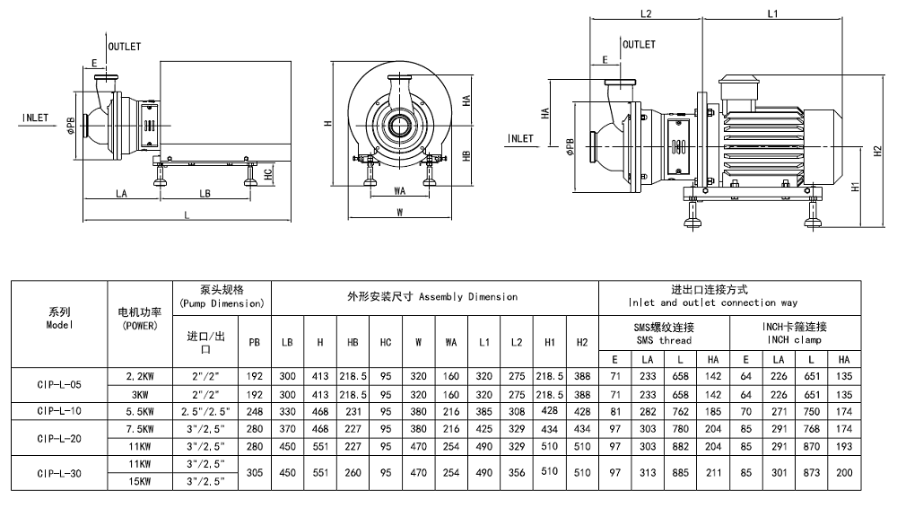
Solution for high efficiency, low noise, large suction, easy maintenance, high purity. Specialized self-priming pump for CIP systems, offering suction up to 8 meters and compatibility with hot fluids. Ensures efficient cleaning cycles in food and dairy plants.















